
皮托管流量計適用于測量蒸汽﹑液體﹑空氣﹑煤氣等介質管速,適合大口徑風管風速測量,它通過測量管道風速、爐窯煙道內的氣流速度,經過換算來確定流量。較廣應用于科研、生產、教學、環境保護以及凈化室、礦井通風、能源管理部門,具有結構簡單﹑成本低廉等特點,是工業鍋爐燃氣排放在線監測系統理想的流量檢測配套儀表。
一,主要特性
皮托管流量計適用于測量蒸汽﹑液體﹑空氣﹑煤氣等介質管速,適合大口徑風管風速測量,它通過測量管道風速、爐窯煙道內的氣流速度,經過換算來確定流量。較廣應用于科研、生產、教學、環境保護以及凈化室、礦井通風、能源管理部門,具有結構簡單﹑成本低廉等特點,是工業鍋爐燃氣排放在線監測系統理想的流量檢測配套儀表。
二、流量計組成CRP系列皮托管一般由一次阻流元件(傳感器)、變送器和閥組組成,某些情況下還附有球閥、絲桿。

三、測量原理
皮托管流量計由一根有雙層結構的彎成直角的金屬小管組成,在頂端開有一個迎流的全壓孔,在側壁周圍開有靜壓孔,將傳感器插入管道中心,總壓孔對準流體的上游,總壓與靜壓之差即為管中心的實測差壓,差壓變送器兩端分別與總壓管和靜壓管連接,根據數理模型實測數據擬合曲線,給出對應的流量值,將對應的流量信號通過差壓變送器轉換成標準的 4~20mA 信號。
Q:體積流量
K:無量綱常數,因流量計不同而不同
Y:氣體壓縮系數,對非壓縮流體時Y=1
ΔP=P1-P2,一次阻流件上下游之間的壓力差
ρ:流體密度.
四,主要優勢
1、可測多種介質適用于測量蒸汽、液體、空氣、煤氣等介質管速,適合大口徑風管風速測量,具有、結構簡單﹑成本低廉等特點,是工業鍋爐燃氣排放在線監測系統理想的流量檢測配套儀表。2、 可選在線安裝插拔、清洗、反吹裝置對于部分無法停產安裝的測點可以不停產選用在線插拔裝置進行在線安裝;對含雜質過多或臟污介質,為避免取壓孔堵塞,也可以選用在線插拔裝置進行定期清理或在線反吹裝置進行反吹,以使測量長期準確可靠。
3、中心取壓,本質防堵傳感器位于管線中心取壓,本質防堵,選配帶清灰棒配置的實現在線自動清灰,防堵效果較佳。
4、安裝費用低,基本免維護插入式安裝方式,安裝簡單,加上傳感器頂端圖特的耐磨涂層,傳感器形狀可長期保持不變,因而長期穩定性好。
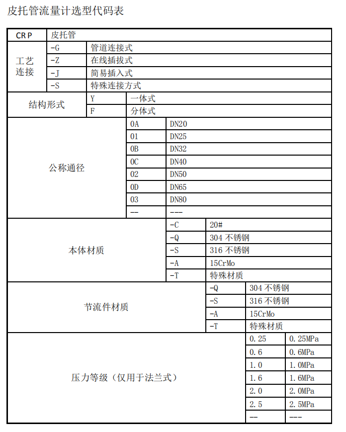
五、選型表